Product Summary
The BAW56WT1 is a surface mount fast switching diode.
Parametrics
BAW56WT1 absolute maximum ratings: (1)Forward Continuous Current (Note 1)IF: 300 mA; (2)Average Rectified Output Current (Note 1)IO: 150 mA; (3)Peak Forward Surge Current (Note 1)@ t < 1.0μs IFSM: 2.0 A; (4)Power Dissipation (Note 1)Pd: 200 mW; (5)Typical Thermal Resistance, Junction to Ambient Air (Note 1)RθJA: 625 K/W; (6)Operating and Storage Temperature Range Tj, TSTG: —65 to +150 °C; (7)Non—Repetitive Peak Reverse Voltage VRM: 100 V.
Features
BAW56WT1 features: (1)High Conductance; (2)Fast Switching; (3)Surface Mount Package Ideally Suited for Automatic Insertion; (4)Plastic Material — UL Recognition Flammability Classification 94V-O; (5)For General Purpose and Switching.
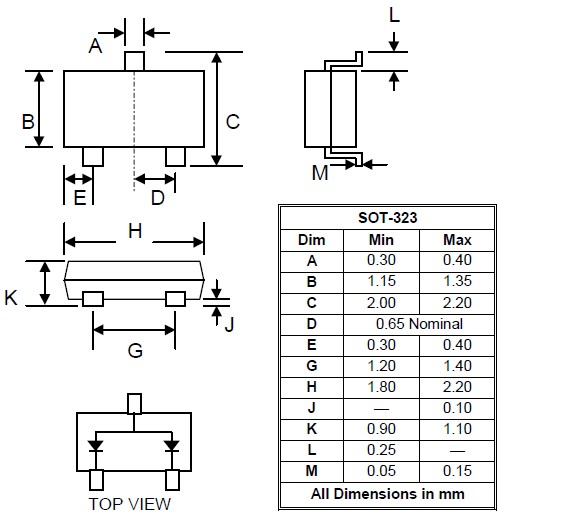
Diagrams

| Image | Part No | Mfg | Description | ![]() |
Pricing (USD) |
Quantity | ||||||||||||
|---|---|---|---|---|---|---|---|---|---|---|---|---|---|---|---|---|---|---|
![]() |
![]() BAW56WT1 |
![]() ON Semiconductor |
![]() Diodes (General Purpose, Power, Switching) 70V 200mA |
![]() Data Sheet |
![]() Negotiable |
|
||||||||||||
![]() |
![]() BAW56WT1G |
![]() ON Semiconductor |
![]() Diodes (General Purpose, Power, Switching) 70V 200mA |
![]() Data Sheet |
![]()
|
|
||||||||||||
(China (Mainland))









