Product Summary
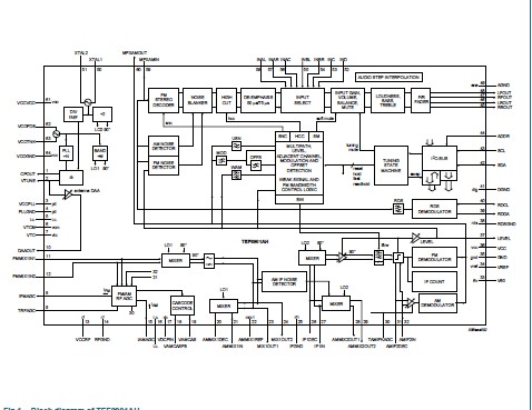
The TEF6901AH is a single-chip car radio integrated circuit with FM/AM tuner, stereo decoder, weak signal processing and audio processing. Radio Data System (RDS)/Radio Broadcast Data System (RBDS) demodulator for radio data reception is included. FM tuner with double conversion to IF1 = 10.7 MHz and IF2 = 450 kHz with integrated image rejection for both IF1 and IF2; integrated channel filter with variable bandwidth control; capable of US FM, Europe FM, Japan FM and Eastern Europe FM. AM tuner of the TEF6901AH with double conversion to IF1 = 10.7 MHz and IF2 = 450 kHz; capable of Long Wave (LW), Medium Wave (MW) and full range Short Wave (SW) (11 m to 120 m bands).
Parametrics
TEF6901AH absolute maximum ratings: (1) Rth(j-a) thermal resistance from junction to ambient in free air: 55 K/W; (2) Rth(j-c) thermal resistance from junction to case: 18 K/W; (3) ICC supply current Tamb = -40 °C: 49mA; (4) ICC Tamb = 25 °C: 40, 49, 60 mA; (5) ICC Tamb = 85 °C: 49mA.
Features
TEF6901AH features: (1) Integrated FM channel filter with controlled bandwidth; (2) Fully integrated FM demodulator; (3) Fully integrated stereo decoder with high immunity for birdy noise; (4) FM noise blanker with adaptive detection at MPX and level; (5) Signal quality detection: level, AM wideband, frequency deviation, ultrasonic noise/adjacent channel; (6) FM weak signal processing: stereo blend, high cut control and soft mute; (7) AM RF Automatic Gain Control (AGC) circuit for external cascode AGC and Positive Intrinsic Negative (PIN) diode AGC; (8) Dual AM noise blanking system; (9) AM weak signal processing: high cut control and soft mute; (10) Low phase noise local oscillator; (11) In-lock detection for optimized adaptive Phase-Locked Loop (PLL) tuning speed; (12) Crystal oscillator reference with low harmonics; (13) Inaudible soft slope tuning mute for AM and FM; (14) Sequential state machine supporting each tuning action.
Diagrams

| Image | Part No | Mfg | Description | ![]() |
Pricing (USD) |
Quantity | ||||||||||||
|---|---|---|---|---|---|---|---|---|---|---|---|---|---|---|---|---|---|---|
![]() |
![]() TEF6901AH/V2 |
![]() NXP Semiconductors |
![]() Tuners TUNER ASP ONECHIP |
![]() Data Sheet |
![]() Negotiable |
|
||||||||||||
![]() |
![]() TEF6901AH/V2,518 |
![]() NXP Semiconductors |
![]() Tuners TUNER ASP ONECHIP |
![]() Data Sheet |
![]() Negotiable |
|
||||||||||||
![]() |
![]() TEF6901AH/V2-T |
![]() NXP Semiconductors |
![]() Tuners TUNER ASP ONECHIP |
![]() Data Sheet |
![]() Negotiable |
|
||||||||||||
![]() |
![]() TEF6901AH/V3 |
![]() NXP Semiconductors |
![]() Tuners TUNER ASP ONECHIP |
![]() Data Sheet |
![]() Negotiable |
|
||||||||||||
![]() |
![]() TEF6901AH/V2,557 |
![]() NXP Semiconductors |
![]() Tuners TUNER ASP ONECHIP |
![]() Data Sheet |
![]() Negotiable |
|
||||||||||||
![]() |
![]() TEF6901AH/V3,518 |
![]() NXP Semiconductors |
![]() Tuners TUNER ASP ONECHIP |
![]() Data Sheet |
![]() Negotiable |
|
||||||||||||
![]() |
![]() TEF6901AH/V5S,518 |
![]() NXP Semiconductors |
![]() Tuners INTEGRATED CAR RADIO |
![]() Data Sheet |
![]()
|
|
||||||||||||
![]() |
![]() TEF6901AH/V5S,557 |
![]() NXP Semiconductors |
![]() Tuners INTEGRATED CAR RADIO |
![]() Data Sheet |
![]()
|
|
||||||||||||
(China (Mainland))










