Product Summary
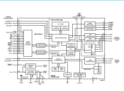
The ISP1161A1BD is a single-chip Universal Serial Bus (USB) Host Controller (HC) and Device Controller (DC). The Host Controller portion of the ISP1161A1BD complies with Universal Serial Bus Specification Rev. 2.0, supporting data transfer at full-speed (12 Mbit/s) and low-speed (1.5 Mbit/s). The Device Controller portion of the ISP1161A1BD also complies with Universal Serial Bus Specification Rev. 2.0, supporting data transfer at full-speed (12 Mbit/s). These two USB controllers, the HC and the DC, share the same microprocessor bus interface. They have the same data bus, but different I/O locations. The ISP1161A1BD also has separate interrupt request output pins, separate DMA channels that include separate DMA request output pins and DMA acknowledge input pins. This makes it possible for a microprocessor to control both the USB HC and the USB DC at the same time.
Parametrics
ISP1161A1BD absolute maximum ratings: (1) VCC(5V) supply voltage on pin VCC: -0.5, +6.0 V; (2) VCC(3.3V) supply voltage on pin Vreg(3.3): -0.5, +4.6 V; (3) VI input voltage: -0.5, +6.0 V; (4) Ilu latch-up current VI < 0 or VI > VCC: 100 mA; (5) Vesd electrostatic discharge voltage ILI < 1 mA [1]: -2000, +2000 V; (6) Tstg storage temperature: -60, +150 °C.
Features
ISP1161A1BD features: (1) Complies with Universal Serial Bus Specification Rev. 2.0; (2) The Host Controller portion of the ISP1161A1 supports data transfer at full-speed (12 Mbit/s) and low-speed (1.5 Mbit/s); (3) The Device Controller portion of the ISP1161A1 supports data transfer at full-speed (12 Mbit/s); (4) Combines the HC and the DC in a single chip; (5) On-chip DC complies with most USB device class specifications; (6) Both the HC and the DC can be accessed by an external microprocessor via separate I/O port addresses; (7) Selectable one or two downstream ports for the HC and one upstream port for the DC.
Diagrams

| Image | Part No | Mfg | Description | ![]() |
Pricing (USD) |
Quantity | ||||
|---|---|---|---|---|---|---|---|---|---|---|
![]() |
![]() ISP1161A1BD |
![]() |
![]() IC USB HOST/DEVICE CTRLR 64-LQFP |
![]() Data Sheet |
![]() Negotiable |
|
||||
![]() |
![]() ISP1161A1BD,118 |
![]() NXP Semiconductors |
![]() USB Interface IC USB1.1 HOST &DEVICE |
![]() Data Sheet |
![]() Negotiable |
|
||||
![]() |
![]() ISP1161A1BD,151 |
![]() NXP Semiconductors |
![]() USB Interface IC USB1.1 HOST &DEVICE |
![]() Data Sheet |
![]() Negotiable |
|
||||
![]() |
![]() ISP1161A1BD-T |
![]() NXP Semiconductors |
![]() USB Interface IC USB1.1 HOST &DEVICE CONTROLLER |
![]() Data Sheet |
![]() Negotiable |
|
||||
![]() |
![]() ISP1161A1BD-S |
![]() NXP Semiconductors |
![]() USB Interface IC USB1.1 HOST &DEVICE CONTROLLER |
![]() Data Sheet |
![]() Negotiable |
|
||||
![]() |
![]() ISP1161A1BDFA |
![]() |
![]() IC USB HOST CONTROLLER 64LQFP |
![]() Data Sheet |
![]() Negotiable |
|
||||
![]() |
![]() ISP1161A1BDTM |
![]() |
![]() IC USB HOST CONTROLLER 64LQFP |
![]() Data Sheet |
![]() Negotiable |
|
||||
(China (Mainland))










